










Caracteristici speciale
Instructiuni montaj
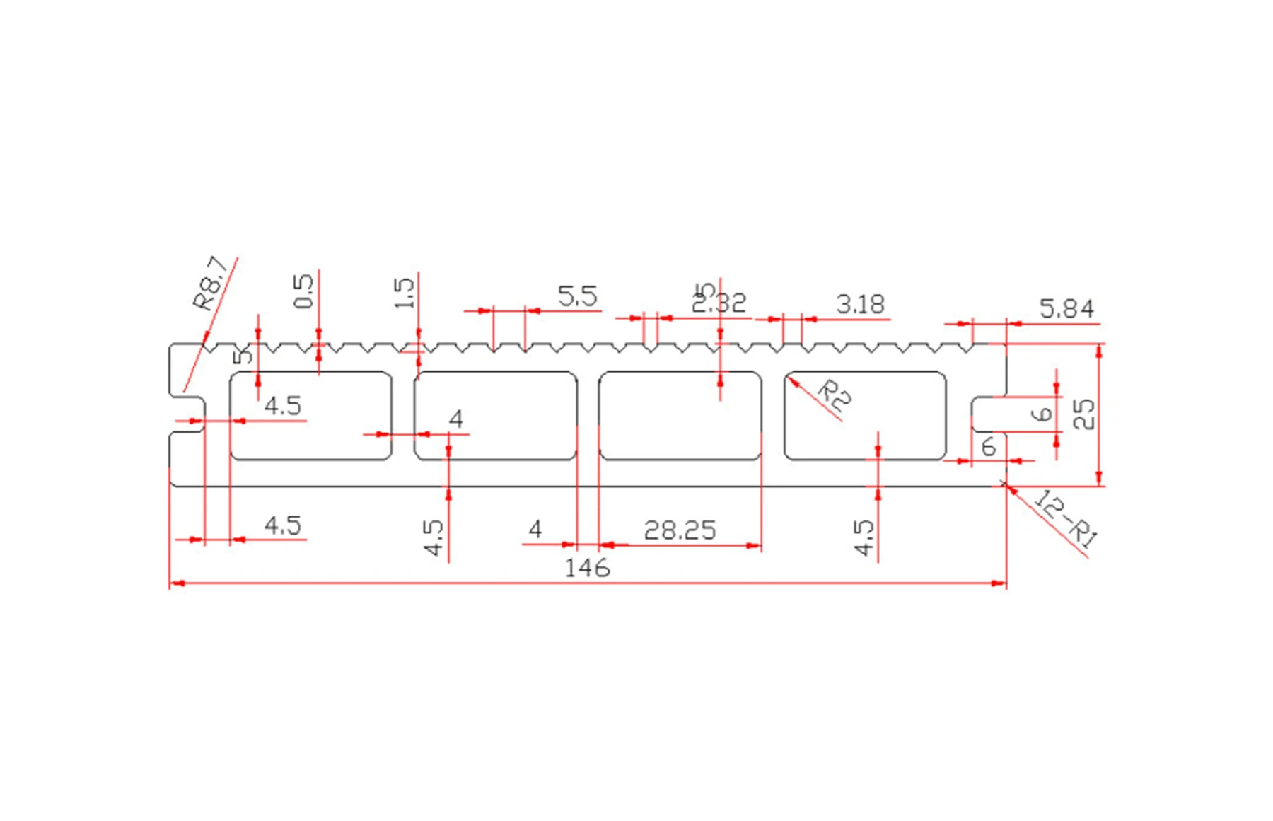
In acest document PDF este prezentată în detaliu compoziția materialului WPC (Wood Plastic Composite), evidențiind atât structura sa internă, cât și proporțiile componentelor utilizate în procesul de fabricație. Sunt descrise elementele principale care intră în compoziția WPC-ului, precum fibra lemnoasă, polimerii și aditivii speciali, fiecare având un rol esențial în asigurarea rezistenței, durabilității și stabilității produsului final.
În acest document PDF este prezentat în detaliu procesul de montaj al treptelor din WPC (Wood Plastic Composite), incluzând toate etapele necesare pentru o instalare corectă, sigură și durabilă în timp. Sunt descrise atât pregătirea suprafeței suport, cât și modul de poziționare și fixare a elementelor, astfel încât rezultatul final să fie stabil, estetic și rezistent la utilizare intensă.
Rezistență în orice sezon
Plăcile WPC îmbină aspectul natural al lemnului cu performanța materialelor moderne, oferind rezistență ridicată la umiditate, variații de temperatură și condiții meteo diverse. Suprafața texturată asigură un aspect elegant și durabil, păstrându-și în timp culoarea și forma fără a necesita întreținere constantă.
Compoziție optimă și durabilă
Plăcile WPC sunt realizate dintr-o compoziție echilibrată de 60% fibră lemnoasă, 35% polimeri (HDPE) și 5% aditivi speciali, oferind stabilitate, rezistență și durabilitate în timp. Această combinație asigură atât aspectul natural al lemnului, cât și performanța superioară a materialelor moderne.
Fără rugină, fără crăpături
Plăcile WPC oferă o alternativă durabilă la materialele tradiționale, fără riscul de ruginire specific metalului și fără crăparea sau degradarea în timp întâlnită la lemn. Structura stabilă asigură un aspect uniform și o durată de viață îndelungată.
Material sustenabil și reciclabil
Plăcile WPC sunt realizate din materiale reciclate și reciclabile, contribuind la protejarea mediului și reducerea risipei. Integrarea fibrei lemnoase și a polimerilor reutilizați oferă un produs modern, responsabil și durabil.